Circuitry
Team 15: "Do It"

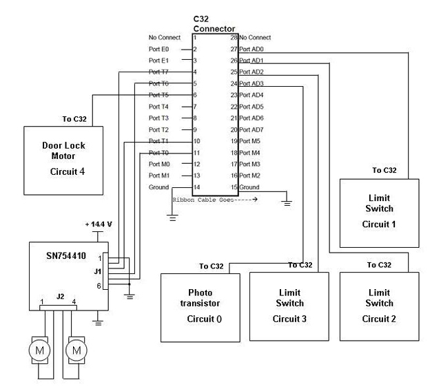
C32 Pin Connections

We chose C32 / H-bridge (SN754410 module) to drive our wheels’ motors. Pulse Width Modulation function in C32 module’s software was applied to control motor’s speed. Each motor’s speed and direction were controlled independently. We used LEDs on our circuit board to help with debugging.

Circuit 0: Phototransistor Circuit for beacon sensing

For the phototransistor circuit, we set the corner frequency of the high pass filter to be 1 / (2πRC) = 1 / (2π × 0.15μF × 10kΩ) = 106 Hz << 1560 Hz (beacon’s pulse emitting frequency). The hysteresis for phototransistor signal output to C32 has a positive going threshold Vth_H and a negative going threshold Vth_L, where
Vth_H = 2.5 V + (5-2.5) V × = 2.53 V
Vth_L = 2.5 V ×  = 2.47 V


In the transistive part of the beacon sensing circuit, we added a 10 pF capacitor in parallel with the feedback resistor in order to filter out the high frequency noise.

When sending the output of the comparator to C32, we applied a hardware technique to distinguish the actual beacon signal with other noise signal, such as sun light. The original output signal from the comparator was 1560 Hz square wave. After adding a low pass filter after the comparator, we converted the beacon signal to a 16 Hz [1/ (2π × 0.1μF × 100kΩ)] triangular-like wave signal ranged from 2 to 3 V approximately. So after sending this output to C32’s analog input channel, we could easily define the “beacon-on” state in which the analog input was within the range of 300 – 800 (0V: 0, 5V: 1024), for instance.

Circuits 1, 2, 3: Limit Switch Circuit for bumper switch sensing
Circuit 4: Door Lock Motor Circuit for releasing arms

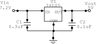
Voltage Regulator Circuit for converting 7.2 V from one battery to 5 V for Op-amps/C

We used two 7.2V NiCad rechargeable battery packs as our robot’s power source (14.4 V). One of the battery packs was connected to the input of the voltage regulator to provide 5V stable voltage to C32, LM324, LM339 modules, limit switch circuit and door lock motor circuit. Two battery packs were connected in series to provide 14.4V to SN754410 controller module to run the motors for the wheels. Each battery’s anode was first connected to a 5V fuse for circuit protection, and then soldered to thinner wires, supplying power to each module. For most of the circuits’ building, we used the proto-board, which was convenient and fast for prototyping. Molex connectors were employed for connections between various modules and the proto-board.

Pinout and Specification Sheets
LM339 Comparator Pinout
LM7805 Voltage Regulator
Tong Zhang | Agustin Ramirez | Nina Joshi

 
last updated 3.12.09